C60SBSS316-D1F73香腸生產線輸
160SP-1高性能/160SW-1高強度
60S_短節距不對稱千鳥型
60SB_側彎鏈規格參數
C2060SS_不銹鋼雙節距鏈條
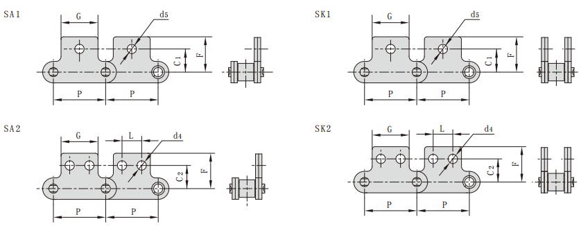
C2060SK2_雙節距單側雙側直
C60SBSS316-D1F74_香腸生產線輸
C60SLR-2_自潤滑鏈C60SLR-2規格
C60SLR_自潤滑鏈C60SLR規格參
60SLR-2_自潤滑鏈60SLR-2規格
聯系人:
手 機:
電 話:
郵 箱:
公 司:
地 址: