0539-6389886
M56_M系列輸送鏈
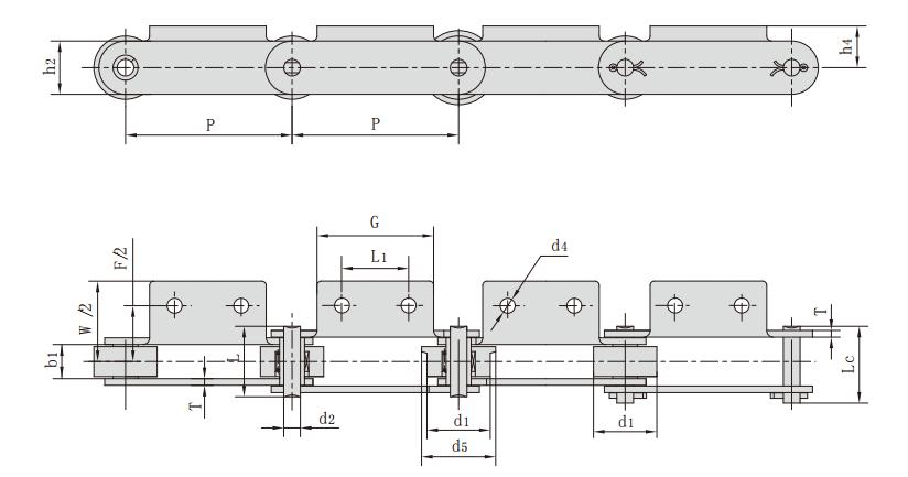
M56_M系列帶附板輸送鏈
M56F24A2-F-100_帶附板輸送鏈
M56F4-P-100_帶附板輸送鏈 輸
M56SS_M系列不銹鋼輸送鏈
聯(lián)系人:孔經(jīng)理
手 機:13053953194
電 話:0539-6389886
郵 箱:2915442155@qq.com
公 司:山東圣鐸鏈條有限公司
地 址:山東臨沂市羅莊區(qū)通達南路17號